no4 standard cell family
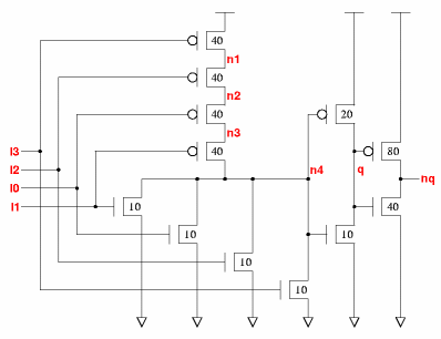
4-I/P NOR gate
UP
PREV
NEXT
The no4_x1 is a single stage 4-NOR with P/N ratio of 1.1. The no4_x4 is a 3 stage 4-NOR with stage efforts of about 1.4 and 3.9.
nq:(i3+i2+i0+i1)'
cell width
power
Generic 0.13um typical timing (ps & ps/fF), pin
i1
.
leakage
dynamic
tR=PropR+RampR×Load(fF), tF=PropF+RampF×Load(fF)
ssxlib013
gates
lambda
0.13um
nW
nW/MHz
PinCap
PropR
RampR
PropF
RampF
no4_x1
2.0
60
3.30
0.92
12.1
5.2f
61
6.15
48
2.31
no4_x4
3.3
100
5.50
2.66
59.9
5.6f
192
0.76
154
0.61
no4_x1
Effort
FO4
Log.
i0
/\
2.38
2.61
¯_
i1
/\
2.05
2.57
¯_
i2
/\
2.61
2.70
¯_
i3
/\
2.67
2.68
¯_
no4_x4
Effort
FO4
Log.
i0
/\
3.02
0.43
¯_
i1
/\
2.70
0.44
¯_
i2
/\
3.24
0.44
¯_
i3
/\
3.34
0.43
¯_
Web data book for the ssxlib. V
dd
=1.2V, T=27°C, nominal process, generic 0.13um technology. Copyright © 2005-2008 Graham Petley. 11 JAN 2008