nd3 standard cell family
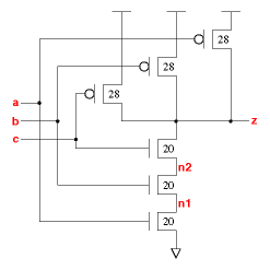
3-I/P NAND gate
UP
PREV
NEXT
x2
drive strength cell with a P/N ratio of about 3.3.
z:(a*b*c)'
cell width
power
Generic 0.13um typical timing (ps & ps/fF), pin
c
.
leakage
dynamic
tR=PropR+RampR×Load(fF), tF=PropF+RampF×Load(fF)
rgalib013
gates
lambda
0.13um
nW
nW/MHz
PinCap
PropR
RampR
PropF
RampF
nd3v0x2
2.7
64
3.52
1.20
13.8
5.2f
48
2.12
45
2.54
nd3v0x2
Effort
FO4
Log.
a
/\
1.54
1.44
¯_
b
/\
1.47
1.44
¯_
c
/\
1.36
1.40
¯_
Web data book for the rgalib. V
dd
=1.2V, T=27°C, nominal process, generic 0.13um technology. Copyright © 2005-2008 Graham Petley. 11 JAN 2008