oai21 standard cell family
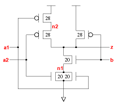
2-OR into 2-NAND gate
UP
PREV
NEXT
x1
drive strength cell, with a P/N ratio of about 1.25 for the
a1
and
a2
inputs, and about 2.3 for the
b
input.
z:((a1+a2)*b)'
cell width
power
Generic 0.13um typical timing (ps & ps/fF), pin
a2
.
leakage
dynamic
tR=PropR+RampR×Load(fF), tF=PropF+RampF×Load(fF)
rgalib013
gates
lambda
0.13um
nW
nW/MHz
PinCap
PropR
RampR
PropF
RampF
oai21v0x1
2.7
64
3.52
0.88
16.8
5.2f
76
4.16
41
1.86
oai21v0x1
Effort
FO4
Log.
a1
/\
1.91
1.86
¯_
a2
/\
1.73
1.82
¯_
b
/\
1.19
1.23
¯_
Web data book for the rgalib. V
dd
=1.2V, T=27°C, nominal process, generic 0.13um technology. Copyright © 2005-2008 Graham Petley. 11 JAN 2008