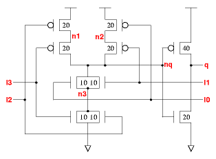
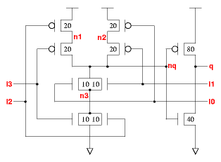
ao2o22 standard cell family
2×2-OR into 2-AND gate
UP
PREV
NEXT
2-2 I/P OR-AND gate with a stage effort of about 3.5 for the ao2o22_x2, and about 7 for the ao2o22_x4.
q:((i2+i3)*(i0+i1))
cell width
power
Generic 0.13um typical timing (ps & ps/fF), pin
i1
.
leakage
dynamic
tR=PropR+RampR×Load(fF), tF=PropF+RampF×Load(fF)
sxlib013
gates
lambda
0.13um
nW
nW/MHz
PinCap
PropR
RampR
PropF
RampF
ao2o22_x2
3.0
90
4.95
1.39
29.5
3.6f
104
1.49
144
1.19
ao2o22_x4
3.3
100
5.50
2.08
46.8
3.4f
133
0.75
191
0.62
ao2o22_x2
Effort
FO4
Log.
i0
/\
¯_
2.20
i1
/\
¯_
2.06
i2
/\
¯_
2.31
i3
/\
¯_
2.47
ao2o22_x4
Effort
FO4
Log.
i0
/\
¯_
2.61
i1
/\
¯_
2.46
i2
/\
¯_
2.71
i3
/\
¯_
2.87
Web data book for the sxlib. V
dd
=1.2V, T=27°C, nominal process, generic 0.13um technology. Copyright © 2005-2008 Graham Petley. 11 JAN 2008