|
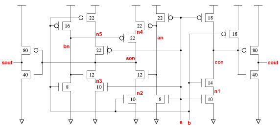
sout:(a^b) |
cell width |
power |
Generic 0.13um typical timing (ps & ps/fF),
pin a. |
|
leakage |
dynamic |
tR=PropR+RampR×Load(fF), tF=PropF+RampF×Load(fF) |
|
sxlib013 |
gates |
lambda |
0.13um |
nW |
nW/MHz |
PinCap |
PropR |
RampR |
PropF |
RampF |
| halfadder_x2 |
5.3 |
160 |
8.80 |
3.26 |
68.6 |
10.5f |
129 |
1.49 |
162 |
1.18 |
| halfadder_x4 |
6.0 |
180 |
9.90 |
4.64 |
101.9 |
10.4f |
158 |
0.75 |
204 |
0.61 |
halfadder_x2
|
Effort |
| FO4 |
Log. |
| a |
/\ |
3.27 |
1.59 |
| ¯_ |
2.54 |
|
| b |
/\ |
2.92 |
1.56 |
| ¯_ |
2.70 |
|
|
 |
|
halfadder_x4
|
Effort |
| FO4 |
Log. |
| a |
/\ |
3.39 |
0.81 |
| ¯_ |
2.62 |
|
| b |
/\ |
3.06 |
0.78 |
| ¯_ |
2.85 |
|
|
 |
|
|
|