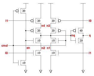
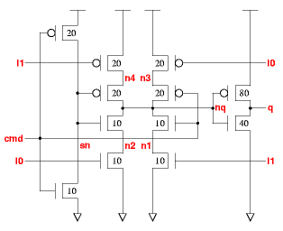
mx2 standard cell family
2-way multiplexers
UP
PREV
NEXT
The mx2 are 2 stage non-inverting muxes with an output P/N ratio of 1.8. The control signal
cmd
can have 2 or 3 stages with stage efforts of about 1 and 3.5 for the mx2_x2 and 1 and 7 for the mx2_x4.
q:((i0*cmd')+(i1*cmd))
cell width
power
Generic 0.13um typical timing (ps & ps/fF), pin
i0
.
leakage
dynamic
tR=PropR+RampR×Load(fF), tF=PropF+RampF×Load(fF)
sxlib013
gates
lambda
0.13um
nW
nW/MHz
PinCap
PropR
RampR
PropF
RampF
mx2_x2
3.0
90
4.95
1.73
34.2
3.7f
120
1.50
166
1.19
mx2_x4
3.3
100
5.50
2.43
51.7
3.7f
151
0.76
212
0.62
mx2_x2
Effort
FO4
Log.
cmd
/\
2.81
0.90
¯_
2.36
i0
/\
¯_
2.34
i1
/\
¯_
2.33
mx2_x4
Effort
FO4
Log.
cmd
/\
3.14
0.47
¯_
2.63
i0
/\
¯_
2.75
i1
/\
¯_
2.75
Web data book for the sxlib. V
dd
=1.2V, T=27°C, nominal process, generic 0.13um technology. Copyright © 2005-2008 Graham Petley. 11 JAN 2008