nao22 standard cell family
2-OR into 2-NAND gate
UP
PREV
NEXT
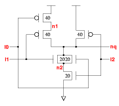
The nao22_x1 is a single stage OR-AND-Invert with P/N ratio of 1.7 for pins
i0
and
i1
, and about 3.3 for pin
i2
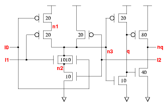
. The nao22_x4 is a 3 stage OR-AND-Invert with stage efforts of about 1.7 and 3.9 for pins
i0
and
i1
, and 1.3 and 3.9 for pin
i2
.
nq:((i0+i1)*i2)'
cell width
power
Generic 0.13um typical timing (ps & ps/fF), pin
i1
.
leakage
dynamic
tR=PropR+RampR×Load(fF), tF=PropF+RampF×Load(fF)
sxlib013
gates
lambda
0.13um
nW
nW/MHz
PinCap
PropR
RampR
PropF
RampF
nao22_x1
2.0
60
3.30
1.16
14.4
6.3f
54
2.92
43
1.86
nao22_x4
3.3
100
5.50
2.31
55.8
3.6f
174
0.74
162
0.57
nao22_x1
Effort
FO4
Log.
i0
/\
1.70
1.76
¯_
i1
/\
1.55
1.74
¯_
i2
/\
1.32
1.25
¯_
nao22_x4
Effort
FO4
Log.
i0
/\
2.70
0.27
¯_
i1
/\
2.54
0.28
¯_
i2
/\
2.43
0.29
¯_
Web data book for the sxlib. V
dd
=1.2V, T=27°C, nominal process, generic 0.13um technology. Copyright © 2005-2008 Graham Petley. 11 JAN 2008