o3 standard cell family
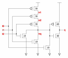
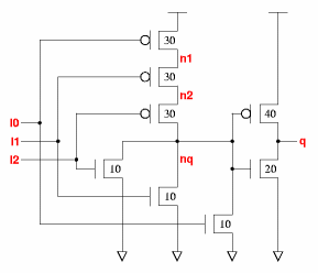
3-I/P OR gate
UP
PREV
NEXT
3 I/P OR gate with a stage effort of about 2.8 for the o3_x2 and about 5.7 for the o3_x4.
q:(i0+i1+i2)
cell width
power
Generic 0.13um typical timing (ps & ps/fF), pin
i2
.
leakage
dynamic
tR=PropR+RampR×Load(fF), tF=PropF+RampF×Load(fF)
sxlib013
gates
lambda
0.13um
nW
nW/MHz
PinCap
PropR
RampR
PropF
RampF
o3_x2
2.0
60
3.30
1.39
30.7
4.4f
84
1.49
145
1.20
o3_x4
2.3
70
3.85
2.08
47.4
4.2f
102
0.75
189
0.62
o3_x2
Effort
FO4
Log.
i0
/\
¯_
2.36
i1
/\
¯_
2.23
i2
/\
¯_
1.98
o3_x4
Effort
FO4
Log.
i0
/\
¯_
2.63
i1
/\
¯_
2.50
i2
/\
¯_
2.26
Web data book for the sxlib. V
dd
=1.2V, T=27°C, nominal process, generic 0.13um technology. Copyright © 2005-2008 Graham Petley. 11 JAN 2008