oa2a22 standard cell family
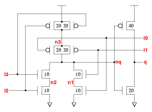
2×2-AND into 2-OR gate
UP
PREV
NEXT
2-2 I/P AND-OR gate with a stage effort of about 3.5 for the oa2a22_x2, and about 7 for the oa2a22_x4.
q:((i2*i3)+(i0*i1))
cell width
power
Generic 0.13um typical timing (ps & ps/fF), pin
i1
.
leakage
dynamic
tR=PropR+RampR×Load(fF), tF=PropF+RampF×Load(fF)
sxlib013
gates
lambda
0.13um
nW
nW/MHz
PinCap
PropR
RampR
PropF
RampF
oa2a22_x2
3.0
90
4.95
1.39
28.7
3.6f
105
1.49
132
1.18
oa2a22_x4
3.3
100
5.50
2.08
45.9
3.5f
136
0.75
175
0.61
oa2a22_x2
Effort
FO4
Log.
i0
/\
¯_
2.03
i1
/\
¯_
1.98
i2
/\
¯_
2.37
i3
/\
¯_
2.43
oa2a22_x4
Effort
FO4
Log.
i0
/\
¯_
2.42
i1
/\
¯_
2.37
i2
/\
¯_
2.77
i3
/\
¯_
2.83
Web data book for the sxlib. V
dd
=1.2V, T=27°C, nominal process, generic 0.13um technology. Copyright © 2005-2008 Graham Petley. 11 JAN 2008