an3 standard cell family
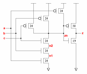
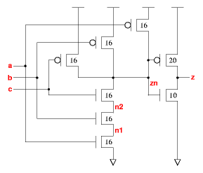
3-I/P AND gate
UP
PREV
NEXT
3 I/P AND gate designed with a large input stage. This reduces the delay, especially when the wire capacitance on the input pin is high.
z:(a*b*c)
cell width
power
Generic 0.13um typical timing (ps & ps/fF), pin
c
.
leakage
dynamic
tR=PropR+RampR×Load(fF), tF=PropF+RampF×Load(fF)
vxlib013
gates
lambda
0.13um
nW
nW/MHz
PinCap
PropR
RampR
PropF
RampF
an3_x1
2.0
60
3.30
1.09
20.2
4.0f
83
2.97
96
2.29
an3_x2
2.0
60
3.30
1.77
32.3
5.7f
83
1.56
96
1.21
an3_x1
Effort
FO4
Log.
a
/\
¯_
2.12
b
/\
¯_
1.99
c
/\
¯_
1.88
an3_x2
Effort
FO4
Log.
a
/\
¯_
1.93
b
/\
¯_
1.84
c
/\
¯_
1.73
Web data book for the vxlib. V
dd
=1.2V, T=27°C, nominal process, generic 0.13um technology. Copyright © 2005-2008 Graham Petley. 11 JAN 2008