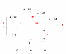
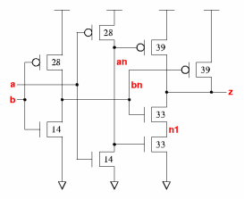
nd2ab standard cell family |
2-I/P OR gate |
|
||||||||||||||||||||||||||||||||||||||||||||||||||||||
|
The nd2ab gates are 2-OR gates made up as 2 inverters driving a NAND gate. According to the theory of logical effort, this combination should be faster than a regular or2 gate, and it is. The speed can be compared to the or2 gates, especially the or2v0x1 which has the same output P-transistor size as the nd2abv0x1. The nd2ab gates are bigger and consume more power than the or2 gates. | |||||||||||||||||||||||||||||||||||||||||||||||||||||||
| z:(a+b) | cell width | power | Generic 0.13um typical timing (ps & ps/fF), pin b. | |||||||||||||||||||||||||||||||||||||||||||||||||||||
| leakage | dynamic | tR=PropR+RampR×Load(fF), tF=PropF+RampF×Load(fF) | ||||||||||||||||||||||||||||||||||||||||||||||||||||||
| vxlib013 | gates | lambda | 0.13um | nW | nW/MHz | PinCap | PropR | RampR | PropF | RampF | ||||||||||||||||||||||||||||||||||||||||||||||
| nd2ab_x1 | 2.0 | 60 | 3.30 | 1.28 | 19.4 | 3.4f | 69 | 2.97 | 76 | 2.16 | ||||||||||||||||||||||||||||||||||||||||||||||
| nd2ab_x2 | 2.3 | 70 | 3.85 | 2.25 | 34.3 | 5.2f | 72 | 1.52 | 80 | 1.11 | ||||||||||||||||||||||||||||||||||||||||||||||
| ||||||||||||||||||||||||||||||||||||||||||||||||||||||||
| Web data book for the vxlib. Vdd=1.2V, T=27°C, nominal process, generic 0.13um technology. Copyright © 2005-2008 Graham Petley. 11 JAN 2008 | ||||||||||||||||||||||||||||||||||||||||||||||||||||||||