nao2o22 standard cell family
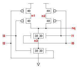
2×2-OR into 2-NAND gate
UP
PREV
NEXT
The nao2o22_x1 is a single stage OR-AND-Invert with P/N ratio of 1.7. The nao2o22_x4 is a 3 stage OR-AND-Invert with stage efforts of about 1.7 and 3.9.
nq:((i2+i3)*(i0+i1))'
cell width
power
Generic 0.13um typical timing (ps & ps/fF), pin
i1
.
leakage
dynamic
tR=PropR+RampR×Load(fF), tF=PropF+RampF×Load(fF)
ssxlib013
gates
lambda
0.13um
nW
nW/MHz
PinCap
PropR
RampR
PropF
RampF
nao2o22_x1
2.3
70
3.85
1.16
16.4
6.1f
54
2.99
46
1.80
nao2o22_x4
3.7
110
6.05
2.77
56.5
3.8f
178
0.76
163
0.61
nao2o22_x1
Effort
FO4
Log.
i0
/\
1.70
1.73
¯_
i1
/\
1.56
1.71
¯_
i2
/\
1.93
1.79
¯_
i3
/\
1.77
1.75
¯_
nao2o22_x4
Effort
FO4
Log.
i0
/\
2.73
0.28
¯_
i1
/\
2.59
0.30
¯_
i2
/\
3.00
0.28
¯_
i3
/\
2.85
0.29
¯_
Web data book for the ssxlib. V
dd
=1.2V, T=27°C, nominal process, generic 0.13um technology. Copyright © 2005-2008 Graham Petley. 11 JAN 2008