no2 standard cell family
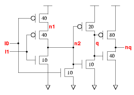
2-I/P NOR gate
UP
PREV
NEXT
The no2_x1 is a single stage 2-NOR with P/N ratio of 2.1. The no2_x4 is a 3 stage 2-NOR with stage efforts of about 0.9 and 3.9.
nq:(i0+i1)'
cell width
power
Generic 0.13um typical timing (ps & ps/fF), pin
i1
.
leakage
dynamic
tR=PropR+RampR×Load(fF), tF=PropF+RampF×Load(fF)
ssxlib013
gates
lambda
0.13um
nW
nW/MHz
PinCap
PropR
RampR
PropF
RampF
no2_x1
1.3
40
2.20
0.69
10.1
5.2f
45
3.05
45
2.27
no2_x4
2.3
70
3.85
2.43
56.7
5.6f
141
0.76
145
0.61
no2_x1
Effort
FO4
Log.
i0
/\
1.59
1.67
¯_
i1
/\
1.44
1.61
¯_
no2_x4
Effort
FO4
Log.
i0
/\
2.44
0.47
¯_
i1
/\
2.27
0.45
¯_
Web data book for the ssxlib. V
dd
=1.2V, T=27°C, nominal process, generic 0.13um technology. Copyright © 2005-2008 Graham Petley. 11 JAN 2008