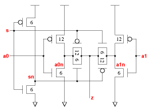
mxi2v0x05
|
Effort |
| FO4 |
Log. |
| a0 |
/\ |
1.78 |
1.98 |
| ¯_ |
|
|
| a1 |
/\ |
1.84 |
2.07 |
| ¯_ |
|
|
| s |
/\ |
2.55 |
3.39 |
| ¯_ |
3.12 |
|
|
 |
|
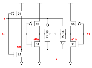
mxi2v2x05
|
Effort |
| FO4 |
Log. |
| a0 |
/\ |
1.57 |
1.49 |
| ¯_ |
|
|
| a1 |
/\ |
1.58 |
1.51 |
| ¯_ |
|
|
| s |
/\ |
1.98 |
2.67 |
| ¯_ |
1.91 |
|
|
 |
|
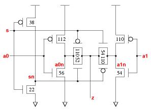
mxi2v0x1
|
Effort |
| FO4 |
Log. |
| a0 |
/\ |
1.82 |
1.96 |
| ¯_ |
|
|
| a1 |
/\ |
1.85 |
1.97 |
| ¯_ |
|
|
| s |
/\ |
2.09 |
2.99 |
| ¯_ |
2.53 |
|
|
 |
|
mxi2v2x1
|
Effort |
| FO4 |
Log. |
| a0 |
/\ |
1.54 |
1.46 |
| ¯_ |
|
|
| a1 |
/\ |
1.53 |
1.44 |
| ¯_ |
|
|
| s |
/\ |
1.73 |
2.22 |
| ¯_ |
1.72 |
|
|
 |
|
mxi2v0x2
|
Effort |
| FO4 |
Log. |
| a0 |
/\ |
1.85 |
1.99 |
| ¯_ |
|
|
| a1 |
/\ |
1.84 |
1.98 |
| ¯_ |
|
|
| s |
/\ |
1.89 |
2.63 |
| ¯_ |
2.45 |
|
|
 |
|
mxi2v2x2
|
Effort |
| FO4 |
Log. |
| a0 |
/\ |
1.52 |
1.38 |
| ¯_ |
|
|
| a1 |
/\ |
1.54 |
1.39 |
| ¯_ |
|
|
| s |
/\ |
1.67 |
2.00 |
| ¯_ |
1.68 |
|
|
 |
|
mxi2v2x3
|
Effort |
| FO4 |
Log. |
| a0 |
/\ |
1.47 |
1.36 |
| ¯_ |
|
|
| a1 |
/\ |
1.47 |
1.34 |
| ¯_ |
|
|
| s |
/\ |
1.56 |
1.88 |
| ¯_ |
1.60 |
|
|
 |
|
mxi2v2x4
|
Effort |
| FO4 |
Log. |
| a0 |
/\ |
1.47 |
1.39 |
| ¯_ |
|
|
| a1 |
/\ |
1.46 |
1.35 |
| ¯_ |
|
|
| s |
/\ |
1.54 |
1.86 |
| ¯_ |
1.54 |
|
|
 |
|