a3 standard cell family
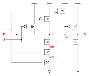
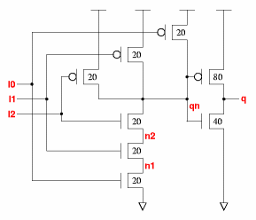
3-I/P AND gate
UP
PREV
NEXT
3 I/P AND gate designed with a stage effort of about 2.1 for the a3_x2 and about 4.2 for the a3_x4.
q:(i0*i1*i2)
cell width
power
Generic 0.13um typical timing (ps & ps/fF), pin
i2
.
leakage
dynamic
tR=PropR+RampR×Load(fF), tF=PropF+RampF×Load(fF)
sxlib013
gates
lambda
0.13um
nW
nW/MHz
PinCap
PropR
RampR
PropF
RampF
a3_x2
2.0
60
3.30
1.62
38.7
4.9f
96
1.49
125
1.17
a3_x4
2.3
70
3.85
2.31
55.3
4.8f
117
0.75
150
0.59
a3_x2
Effort
FO4
Log.
i0
/\
¯_
1.75
i1
/\
¯_
1.87
i2
/\
¯_
1.96
a3_x4
Effort
FO4
Log.
i0
/\
¯_
1.91
i1
/\
¯_
2.02
i2
/\
¯_
2.10
Web data book for the sxlib. V
dd
=1.2V, T=27°C, nominal process, generic 0.13um technology. Copyright © 2005-2008 Graham Petley. 11 JAN 2008