a4 standard cell family
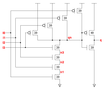
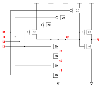
4-I/P AND gate
UP
PREV
NEXT
4 I/P AND gate designed with a stage effort of about 2.4 for the a4_x2 and about 4.8 for the a4_x4.
q:(i0*i1*i2*i3)
cell width
power
Generic 0.13um typical timing (ps & ps/fF), pin
i3
.
leakage
dynamic
tR=PropR+RampR×Load(fF), tF=PropF+RampF×Load(fF)
sxlib013
gates
lambda
0.13um
nW
nW/MHz
PinCap
PropR
RampR
PropF
RampF
a4_x2
2.3
70
3.85
1.85
33.1
4.8f
109
1.50
107
1.15
a4_x4
2.7
80
4.40
2.54
49.6
4.6f
135
0.76
132
0.59
a4_x2
Effort
FO4
Log.
i0
/\
¯_
2.20
i1
/\
¯_
2.15
i2
/\
¯_
2.04
i3
/\
¯_
1.92
a4_x4
Effort
FO4
Log.
i0
/\
¯_
2.39
i1
/\
¯_
2.32
i2
/\
¯_
2.21
i3
/\
¯_
2.09
Web data book for the sxlib. V
dd
=1.2V, T=27°C, nominal process, generic 0.13um technology. Copyright © 2005-2008 Graham Petley. 11 JAN 2008