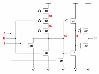
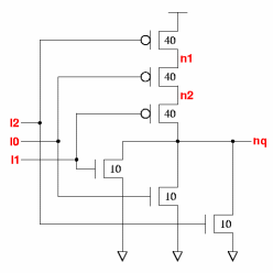
no3 standard cell family
3-I/P NOR gate
UP
PREV
NEXT
The no3_x1 is a single stage 3-NOR with P/N ratio of 1.5. The no3_x4 is a 3 stage 3-NOR with stage efforts of about 1.2 and 3.9.
nq:(i2+i0+i1)'
cell width
power
Generic 0.13um typical timing (ps & ps/fF), pin
i1
.
leakage
dynamic
tR=PropR+RampR×Load(fF), tF=PropF+RampF×Load(fF)
sxlib013
gates
lambda
0.13um
nW
nW/MHz
PinCap
PropR
RampR
PropF
RampF
no3_x1
1.7
50
2.75
0.81
11.7
5.3f
54
4.38
48
2.33
no3_x4
2.7
80
4.40
2.54
64.8
5.7f
187
0.74
166
0.57
no3_x1
Effort
FO4
Log.
i0
/\
2.02
2.15
¯_
i1
/\
1.74
2.06
¯_
i2
/\
2.13
2.17
¯_
no3_x4
Effort
FO4
Log.
i0
/\
2.88
0.45
¯_
i1
/\
2.74
0.44
¯_
i2
/\
2.48
0.43
¯_
Web data book for the sxlib. V
dd
=1.2V, T=27°C, nominal process, generic 0.13um technology. Copyright © 2005-2008 Graham Petley. 11 JAN 2008