no4 standard cell family
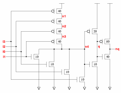
4-I/P NOR gate
UP
PREV
NEXT
The no4_x1 is a single stage 4-NOR with P/N ratio of 1.1. The no4_x4 is a 3 stage 4-NOR with stage efforts of about 1.4 and 3.9.
nq:(i3+i2+i0+i1)'
cell width
power
Generic 0.13um typical timing (ps & ps/fF), pin
i1
.
leakage
dynamic
tR=PropR+RampR×Load(fF), tF=PropF+RampF×Load(fF)
sxlib013
gates
lambda
0.13um
nW
nW/MHz
PinCap
PropR
RampR
PropF
RampF
no4_x1
2.0
60
3.30
0.92
12.1
5.3f
59
5.87
49
2.36
no4_x4
3.3
100
5.50
2.66
60.2
5.7f
188
0.74
154
0.57
no4_x1
Effort
FO4
Log.
i0
/\
2.37
2.60
¯_
i1
/\
2.03
2.56
¯_
i2
/\
2.60
2.69
¯_
i3
/\
2.67
2.68
¯_
no4_x4
Effort
FO4
Log.
i0
/\
3.00
0.43
¯_
i1
/\
2.67
0.44
¯_
i2
/\
3.23
0.44
¯_
i3
/\
3.33
0.43
¯_
Web data book for the sxlib. V
dd
=1.2V, T=27°C, nominal process, generic 0.13um technology. Copyright © 2005-2008 Graham Petley. 11 JAN 2008