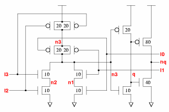
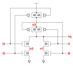
noa2a22 standard cell family
2×2-AND into 2-NOR gate
UP
PREV
NEXT
The noa2a22_x1 is a single stage AND-OR-Invert with P/N ratio of 1.7. The noa2a22_x4 is a 3 stage AND-OR-Invert with stage efforts of about 1.7 and 3.9.
nq:((i2*i3)+(i0*i1))'
cell width
power
Generic 0.13um typical timing (ps & ps/fF), pin
i1
.
leakage
dynamic
tR=PropR+RampR×Load(fF), tF=PropF+RampF×Load(fF)
sxlib013
gates
lambda
0.13um
nW
nW/MHz
PinCap
PropR
RampR
PropF
RampF
noa2a22_x1
2.3
70
3.85
1.39
15.3
6.3f
52
2.67
44
1.86
noa2a22_x4
3.7
110
6.05
2.43
55.7
3.7f
167
0.74
162
0.57
noa2a22_x1
Effort
FO4
Log.
i0
/\
1.54
1.63
¯_
i1
/\
1.51
1.67
¯_
i2
/\
1.92
1.74
¯_
i3
/\
1.87
1.76
¯_
noa2a22_x4
Effort
FO4
Log.
i0
/\
2.56
0.27
¯_
i1
/\
2.50
0.29
¯_
i2
/\
2.96
0.27
¯_
i3
/\
2.90
0.28
¯_
Web data book for the sxlib. V
dd
=1.2V, T=27°C, nominal process, generic 0.13um technology. Copyright © 2005-2008 Graham Petley. 11 JAN 2008