mx2 standard cell family
2-way multiplexers
UP
PREV
NEXT
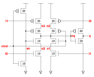
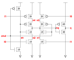
The mx2 are 2 stage non-inverting muxes with an output P/N ratio of 1.8. The control signal
cmd
can have 2 or 3 stages with stage efforts of about 1 and 3.5 for the mx2_x2 and 1 and 7 for the mx2_x4.
q:((i0*cmd')+(i1*cmd))
cell width
power
Generic 0.13um typical timing (ps & ps/fF), pin
i0
.
leakage
dynamic
tR=PropR+RampR×Load(fF), tF=PropF+RampF×Load(fF)
ssxlib013
gates
lambda
0.13um
nW
nW/MHz
PinCap
PropR
RampR
PropF
RampF
mx2_x2
3.0
90
4.95
1.73
33.0
3.5f
135
1.53
166
1.24
mx2_x4
3.3
100
5.50
2.43
50.2
3.4f
172
0.78
213
0.64
mx2_x2
Effort
FO4
Log.
cmd
/\
2.94
0.92
¯_
2.41
i0
/\
¯_
2.44
i1
/\
¯_
2.38
mx2_x4
Effort
FO4
Log.
cmd
/\
3.31
0.48
¯_
2.70
i0
/\
¯_
2.90
i1
/\
¯_
2.81
Web data book for the ssxlib. V
dd
=1.2V, T=27°C, nominal process, generic 0.13um technology. Copyright © 2005-2008 Graham Petley. 11 JAN 2008