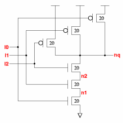
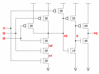
na3 standard cell family
3-I/P NAND gate
UP
PREV
NEXT
The na3_x1 is a single stage 3-NAND with P/N ratio of about 2.3, which makes the P and N transistors the same size. The na3_x4 is a 3 stage 3-NAND with stage efforts of about 1.1 and 3.9.
nq:(i0*i1*i2)'
cell width
power
Generic 0.13um typical timing (ps & ps/fF), pin
i2
.
leakage
dynamic
tR=PropR+RampR×Load(fF), tF=PropF+RampF×Load(fF)
ssxlib013
gates
lambda
0.13um
nW
nW/MHz
PinCap
PropR
RampR
PropF
RampF
na3_x1
1.7
50
2.75
0.92
11.2
4.5f
52
2.97
44
2.83
na3_x4
2.7
80
4.40
2.66
61.0
4.9f
156
0.76
157
0.61
na3_x1
Effort
FO4
Log.
i0
/\
1.53
1.49
¯_
i1
/\
1.50
1.54
¯_
i2
/\
1.43
1.51
¯_
na3_x4
Effort
FO4
Log.
i0
/\
2.33
0.38
¯_
i1
/\
2.52
0.39
¯_
i2
/\
2.44
0.39
¯_
Web data book for the ssxlib. V
dd
=1.2V, T=27°C, nominal process, generic 0.13um technology. Copyright © 2005-2008 Graham Petley. 11 JAN 2008