xr2 standard cell family

2-I/P exclusive OR gate
xr2 symbol
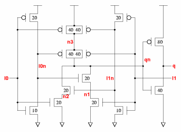
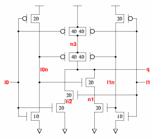
2 XOR gates designed with an AND-OR Invert gate and 2 input inverters. The xr2_x4 then has a large output inverter to drive the output. The xr2_x1 is a 1/2 stage 2-XOR, and the xr2_x4 is a 2/3 stage 2-XOR. Stage efforts are about 2 for the inverter driving the AND-OR-Invert, and 3.5 driving the output inverter.
q:(i1^i0) cell width power Generic 0.13um typical timing (ps & ps/fF), pin i1.
leakage dynamic tR=PropR+RampR×Load(fF), tF=PropF+RampF×Load(fF)
ssxlib013 gates lambda 0.13um nW nW/MHz PinCap PropR RampR PropF RampF
xr2_x1 3.0  90 4.95 2.08  32.2  9.4f  84  3.03  74  2.00
xr2_x4 4.0 120 6.60 3.46  75.6  9.0f 139  0.76 161  0.62
xr2_x1
 
Effort
FO4 Log.
i0 /\ 2.37 3.01
¯_ 2.59
i1 /\ 2.29 2.92
¯_ 2.69
xr2_x1 schematic xr2_x1 standard cell layout
xr2_x4
 
Effort
FO4 Log.
i0 /\ 2.61 0.75
¯_ 2.38
i1 /\ 2.95 0.64
¯_ 2.07
xr2_x4 schematic xr2_x4 standard cell layout