cgi2ab standard cell family

carry generator inverting with 2 inverted inputs
cgi2ab symbol
The output is the inverted carry of carry input c and the inverse of inputs a and b. The stage efforts are 1.6, 1.9 and 2.4 for the x05, x1 and x2 drive strengths respectively. The cells here use a P/N ratio of about 2.
z:((a'*b')+(a'*c)+(b'*c))' cell width power Generic 0.13um typical timing (ps & ps/fF), pin c.
leakage dynamic tR=PropR+RampR×Load(fF), tF=PropF+RampF×Load(fF)
vsclib013 gates lambda 0.13um nW nW/MHz PinCap PropR RampR PropF RampF
cgi2abv0x05 3.7  88 4.84 1.22   7.5  2.7f  56  7.34  52  5.33
cgi2abv0x1 3.7  88 4.84 1.85  12.2  4.5f  55  4.34  46  2.68
cgi2abv0x2 6.3 152 8.36 3.37  24.7  8.6f  55  2.18  46  1.34
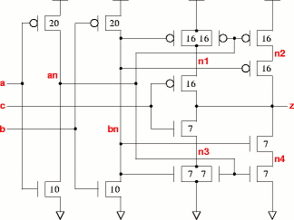
cgi2abv0x05
 
Effort
FO4 Log.
a /\
¯_ 2.91
b /\
¯_ 2.86
c /\ 1.76 2.00
¯_
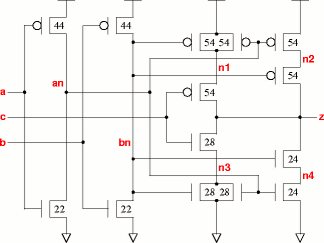
cgi2abv0x05 schematic cgi2abv0x05 standard cell layout
cgi2abv0x1
 
Effort
FO4 Log.
a /\
¯_ 2.58
b /\
¯_ 2.52
c /\ 1.63 1.85
¯_
cgi2abv0x1 schematic cgi2abv0x1 standard cell layout
cgi2abv0x2
 
Effort
FO4 Log.
a /\
¯_ 2.40
b /\
¯_ 2.31
c /\ 1.59 1.75
¯_
cgi2abv0x2 schematic cgi2abv0x2 standard cell layout